
rexresearch.com
rexresearch1.com
Onezime BREAUX
Electrostatic Generator
https://www.youtube.com/watch?v=wHGppWhoRlM
#Donald #Trump
his uncle John and the Tesla based Breaux patent !
Prof. John #trump of
MIT reviewed Nikola tesla lost papers for the FBI. his friend
onezime p. Breaux then made patent 4127804a. ... a model of how
nature creates free electricity from the ionosphere moving
relative to the ground
https://www.youtube.com/watch?v=luk-yW7on1k
IONOSPHERE FREE
ENERGY BREAUX PATENT
Electrostatic
energy conversion system
US4127804
[ PDF ]
Two inversely ganged
variable capacitors having a common movable element varying the
capacities such that when one capacitor is at maximum
capacitance, the other is at minimum capacitance, have, after
initially charging, a substantially constant contained or
trapped charge distributed between the two capacitors. As the
capacities of the capacitors are varied, a potential difference
is developed between the fixed plate of one capacitor and the
fixed plate of the other. When these two potential points are
connected to a load, charge is transferred from one capacitor to
the other as a current flow through the load. The total charge
is not diminished, the energy supplied the load being the energy
expanded on moving the movable charged plates. As the movable
plates are moved in a cyclic manner an alternating current is
provided to the load.
BACKGROUND OF THE
INVENTION
The field of the
invention is in electrostatic machines.
Electrostatic machines
have been well known for many years. The Toepler-Holtz and the
Wimshurst machines were early electrostatic generators. Now
their usage is mainly for demonstrations in the Physics
Laboratory. The only remaining electrostatic machine to remain
in extensive usage is the Van de Graaff type electrostatic
generator. It is presently used to generate extremely high
voltage potentials for atomic research. Substantially all of the
prior art devices are direct current type machines.
The following
publications may be helpful in further understanding the art.
Electrostatic Sources of Electric Power, John G. Trump,
Electrical Engineering, Vol. 66, No. 6, June 1947, pages
525-534;
U.S. Pat. No. 2,810,878 to patentee N. Felici, and
U.S. Pat. No. 3,094,653 to patentees D. B. LeMay et al.
SUMMARY OF THE
INVENTION
An ac electrostatic
variable capacity energy conversion system utilizing a fixed
contained charge functions as an electrical generator when
mechanically driven or as a motor providing mechanical shaft
power when electrically driven.
BRIEF DESCRIPTION OF
THE DRAWING





FIG. 1 is a simplified
pictorial-schematic diagram representative of a rotational
generator embodiment of the invention;
FIG. 2 is a simplified
pictorial schematic diagram representative of a reciprocally
driven generator embodiment of the invention;
FIG. 3 is an electrical
schematic diagram of the embodiment illustrated in FIG. 2;
FIG. 4 is a schematic
diagram illustrative of the electrical charges and capacitances
of the embodiment physically illustrated in FIG. 1;
FIG. 5 is a
pictorial-schematic representation of an embodiment of the
invention wherein the load is between dielectric materials;
FIG. 6 is a schematic
diagram of the system shown in FIG. 5 illustrative of the
charges and capacitances;
FIG. 7 is a schematic
diagram of a pulsed energy input embodiment of the invention in
State A;
FIG. 8 is the same
embodiment except in State B;
FIG. 9 is the same
embodiment except in State C;
FIG. 10 is the same
embodiment except in State D;
FIG. 11 is a schematic
representation of an embodiment of the invention having pulsed
energy input with the generators indirectly connected to the
load through dielectric material, in State A;
FIG. 12 is the same
embodiment of FIG. 11 except in State B;
FIG. 13 is the same
embodiment of FIG. 11 except in State C;
FIG. 14 is the same
embodiment of FIG. 11 except in State D;
FIG. 15 is a schematic
diagram of an embodiment of the invention having continuous
mechanical input providing a continuous wave (cw) electrical
output with the generators directly connected to the load;
FIG. 16 is a schematic
diagram of an energy conversion system of the invention wherein
the system functions as a motor receiving electrical energy and
delivering mechanical energy;
FIG. 17 is a
pictorial-block-schematic diagram of an embodiment of the
invention for receiving rotational energy from a mechanical
source and delivering electrical energy to a load;
FIG. 18 is a schematic
drawing shown a control system for maintaining a given maximum
and minimum charge on the generating capacitors; and
FIG. 19 is a
block-schematic diagram showing the improvement of the disclosed
invention over a typical prior art system.
DESCRIPTION OF THE
PREFERRED EMBODIMENTS
In embodiments of the
invention, energy conversion is obtained for the Variable
Capacitance Electrostatic Energy Conversion System by operation
of variable capacitance electrostatic generators, involving
contained charge, in paired opposition to one another across the
load (or electrical source of power), either directly or
indirectly through dielectric material, to provide for
conversion of mechanical energy to electrical energy (or
electrical energy to mechanical energy).
For a variable
capacitance electrostatic generator, the electrical power input
to the capacitor, Pe (watts), is equal to the increase in
capacitor electrostatic field energy, Wef (joules), per unit
time, t (seconds), and the mechanical power output, PM (watts):
Pe = (dWef /dt) + PM
with
Pe = Vdq/dt
V = capacitor potential
(volts)
q = charge on capacitor
(coulombs)
and Wef = 1/2 CV@2
c = capacitor
capacitance (farads)
Also, q = CV
Therefore, PM = 1/2 V@2
(dC/dt)
and the time rate of
conversion of mechanical to electrical energy, dWME /dt, equal
to -PM, is given as
dWME /dt = - 1/2 V@2
(dC/dt)
Conversion of
mechanical shaftpower to electrical power to a load by variable
capacitance electrostatic generators operating in paired
opposition to one another across the load (and involving
contained charge) shall be considered first.
Examples of two
specific physical arrangements of electrostatic generators
operating in paired opposition to one another connected directly
to a load R (ohms) are shown in FIGS. 1 and 2. Capacitance
change is by rotary motion in the embodiment of FIG. 1 and
reciprocating motion for the embodiment represented by FIG. 2.
FIG. 2 is shown in partial schematic form in FIG. 3 and the
electrical schematic diagram for the device of FIG. 1 is shown
in FIG. 4. Referring to FIGS. 1 and 4, the capacitors 11 and 12
each range in value from high capacitance CH to low capacitance
CL and are coupled by the drive shaft 13 so that they operate in
opposition to each other; that is, when one capacitor has value
CH, the other capacitor has value CL, and vice versa. The
capacitors each are initially charged to possess a charge Q, and
hence there exists a contained (or "trapped") charge of 2Q for
the system. As variable capacitor 11 varies from CH to CL, its
charge varies from (Q + qo) to (Q - qo); as variable capacitor
12 varies from CL to CH, its charge varies from (Q - qo) to (Q +
qo). A charge 2qo is directly transferred across the load 14. As
capacitor 11 is decreasing in capacitance mechanical energy is
converted by it to electrical energy and electrical energy is
converted to mechanical energy by variable capacitor 12 which is
increasing in capacitance. However, since capacitor 12 is
drive-shaft coupled to capacitor 11, this mechanical energy may
be considered as simultaneously reconverted to electrical
energy. With rotation, capacitor 11 reaches the state initially
occupied by capacitor 12 and capacitor 12 is now in the state
initially occupied by capacitor 11. As the drive shaft continues
to rotate, the capacitors return to their respective initial
states with another transfer of charge 2qo across the load, and
a cycle is completed.
A schematic-pictorial
physical arrangement of the electrostatic generators operating
in paired opposition to one another, indirectly connected to the
load through dielectric (insulating) material, is shown in FIG.
5; an electrical schematic diagram for this embodiment is shown
in FIG. 6. The advantages of using a dielectric as electrode
material is well known as exemplified by U.S. Pat. No. 3,745,481
to patentees G. F. Erickson et al. In this embodiment for each
cycle a charge of 4qo is transferred by displacement across the
load; there is charge qo associated with the dielectric material
capacitors of capacitance cd.
The simplified
embodiments presented above were for initial explicit exposition
of the concept involved for the Energy Conversion System. The
following embodiments, presented in more detail, will explain
the operation of the system and aid in the comprehension of the
invention.
The pulsed energy input
systems with the generators directly connected to the load are
perhaps the easiest to comprehend. The electrical schematic
diagram of these embodiments is shown in FIG. 7. It is similar
to the electrical schematic diagram of previous FIG. 4 except
for the added switch 20. The pictorial diagram of FIG. 1 is also
a suitable physical representation if a switch is placed in the
line going to the load. The operation will be explained
considering four states or positions of the capacitors after a
movement from their prior state. It is assumed that the
capacitors have been initially charged and that operation
through previous cycles has taken place. The switch is triggered
cyclicly as a function of drive shaft position.
State A (FIG. 7):
Capacitor 21 has capacitance CH and a charge (Q + qo); capacitor
22 has capacitance CL and a charge (Q - qo); the potentials
(volts) across the capacitors are equal. (NOTE: The magnitude of
the potentials associated with the various circuit elements are
indicated by the relative length of the arrows in the schematics
as presented in the figures, e.g., arrows 23 and 24, with the
tip of the arrow indicating the direction of increasing
potential for the charge; the arrows, representing the
potential, are not necessarily drawn to scale.) The switch is in
closed position; the switch, for the purpose of this exposition,
shall be considered as an ideal switch (that is, it has
negligible inductance, infinitely small capacitance relative to
other circuit elements, infinite resistance when open, and zero
resistance when closed). The potential across a capacitor is
equal to the charge on the capacitor divided by its capacitance,
therefore;
(Q + qo)/CH = (Q -
qo)/CL
the energy associated
with the electrostatic field of a capacitor is given by one-half
the value of its charge squared, divided by its capacitance.
Therefore, the total electrical energy of the electric circuit
in State A, WA, is given as
WA = 1/2 (Q + qo)@2 /CH
+ 1/2 (Q - qo)@2 /CL
the switch is opened
and, as the drive shaft rotates, the capacitances of capacitors
1 and 2 change to State B.
State B (FIG. 8):
Capacitor 21 now has capacitance CL and capacitor 22 has
capacitance CH. The total electrical energy for the electric
circuit in State B,WB, is given as
WB = 1/2 (Q + qo)@2 /CL
+ 1/2 (Q - qo)@2 /CH
the potential rise
across capacitor 21 is equal to the potential drop across the
switch 20 and across capacitor 22.
State C (FIG. 9): The
switch 20 is now closed. The potential rise across capacitor 21
is now equal to the potential drop across the load and the
potential drop across capacitor 22. It is assumed, for the
purpose of this exposition, that the transient response time of
the electric circuit is much faster than the time required for
one complete cycle of the variable capacitors (that is, the time
required for the variable capacitors, starting at respective
initial states, to return to those respective states, as the
drive shaft rotates). With q now representing the charge being
transferred, the equation for the electrical circuit response is
given as
(Q + qo - q)/CL = R
(dq/dt) + (Q - qo + q)/CH
when t = 0, q = 0; when
t = .infin., q = 2qo.
The solution of the
previous equation is as follows:
q = 2qo [1 - exp[-(1/R)
(1/CL + 1/CH)t]]
And from the earlier
equation (Q + qo)/CH = (Q - qo)/CL ##EQU1##
State D (FIG. 10):
After charge rearrangement by a flow of current through the
load, capacitor 22 is in the same state as capacitor 21 in State
A; capacitor 21 is in the same state as capacitor 22 in State A;
and the total electrical energy for the electrical circuit in
State D, WD, is given as
WD = 1/2 (Q + qo)@2 /CH
+ 1/2 (Q - qo)@2 /CL
by subtracting this
equation from the one in State B, it is seen that: ##EQU2##
Electrostatic energy is delivered to the load. As the drive
shaft 25 rotates, capacitors 21 and 22 will again go through
States B and C, with their roles interchanged, until the
capacitors return to their respective states as given in State
A. For this second half of the cycle, the same amount of energy
is delivered to the load as was delivered in the first half of
the cycle; hence, the energy delivered to the load per cycle, W,
is given as follows:
W = 2(WB - WD) = 8[1/2
qo@2 (1/CL + 1/CH)]
the limit on energy
transfer may be determined as follows. The breakdown potential
for the variable capacitors, VCB (volts), may be related to the
charge on the variable capacitors:
(Q + qo)/CL = VCB
by use of this equation
and the one given at the end of State C, the limiting value of
qo may be given as follows:
qo = (CL /2) (1 - CL
/CH)VCB
by substitution of the
above value of qo into the foregoing equation for W, the limit
on W, WCB, is given as
WCB = (1 + CL /CH) (1 -
CL /CH)@2 CL VCB@2
the range of W is then
given as follows: 0 .ltoreq. W < WCB
For non-negligible
circuit inductance, such as, for example, a series inductance L
(henries), the equation for the electrical circuit response is
given as
(Q + qo - q)/CL =
R(dq/dt) + L(d@2 q/dt@2) + (Q - qo + q)/CH
when t = 0, q = 0; when
t = .infin., q = 2qo ; the solutions are given as follows.
For over damped
response, (R/2L)@2 > (1/L) (1/CL + 1/CH), ##EQU3## For
critically damped response, (R/2L)@2 = (1/L) (1/CL + 1/CH),
##EQU4## For under damped response, (R/2L)@2 < (1/L) (1/CL +
1/CH), ##EQU5## With b being given by a, as defined above,
divided by the square root of minus one. The relation between Q
and qo is ##EQU6## as previously stated.
An embodiment of the
invention for operation with pulsed energy input and the
electrical load connected through dielectric material, such as
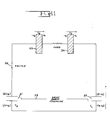
barium titanate, is schematically illustrated in FIG. 11. This
type of system is ideally suited for the production of molecular
excitation and volume ionization of high-pressure lasing media.
As in the previous embodiment, four states or end positions of
arcs of rotational movement will be illustrated.
State A (FIG. 11):
Capacitor 31 has capacitance CH and a charge (Q + qo); capacitor
32 has capacitance CL and a charge (Q - qo). The potential rise
across capacitor 32 is equal to the sum of the potential drops
across each dielectric electrode (33 and 34, each of capacitance
cd) and capacitor 31:
(Q - qo)/CL = 2qo /cd +
(Q + qo)/CH
the total electrical
energy of the electric circuit in State A is given as follows:
WA = 1/2 (Q + qo)@2 /CH
+ qo@2 /cd + 1/2 (Q - qo)@2 /CL
switch 36 is opened
and, as drive shaft 35 rotates, the capacitance of capacitors 31
and 32 changes, and state B is reached.
State B (FIG. 12):
Capacitor 31 now has capacitance CL and capacitor 32 has
capacitance CH. The total electrical energy for the electric
circuit in State B is given as follows:
WB = 1/2 (Q + qo)@2 /CL
+ qo@2 /cd + 1/2 (Q - qo)@2 /CH
the potential rise
across capacitor 31 and the two capacitances cd equals the
potential drop across the switch and capacitor 32.
State C (FIG. 13):
Switch 36 is now closed. The potential rise across capacitor 31
and the two capacitances cd equals the potential drop across the
load and capacitor 32. The equation for the electrical circuit
response is given as follows:
(Q + qo - q)/CL + 2(qo
- q)/cd = R(dq/dt) + (Q - qo + q)/CH
when t = 0, q = 0; when
t = .infin., q = 2qo.
Solution of the
equation is as follows:
q = 2qo [1 - exp[-(1/R)
(1/CL + 2/cd + 1/CH)t]]
With, as given
previously, ##EQU7##
State D (FIG. 14):
After charge rearrangement, capacitor 32 is in the same state as
capacitor 31 in State A; capacitor 31 is in the same state as
capacitor 32 in State A; and the polarity of the charge on the
dielectric capacitances has been reversed. The total electrical
energy for the electric circuit in State D is given as follows:
WD = 1/2 (Q + qo)@2 /CH
+ qo@2 /cd + 1/2 (Q - qo)@2 /CL
by combining equations,
it is seen that:
WB - WD = 2qo@2 (1/CL +
2/cd + 1/CH) = 4[1/2 qo@2 (1/CL + 2/cd + 1/CH)]
and that: ##EQU8##
Electrostatic energy is
delivered to the load. As drive shaft 35 rotates, capacitors 31
and 32 will again go through States B and C, with their roles
interchanged, until the capacitors return to their respective
states as given in State A. For this second half of the cycle,
the same amount of energy is delivered to the load as was
delivered in the first half of the cycle; hence, the energy
delivered to the load per cycle, W, is given as follows:
W = 2(WB - WD) = 8[1/2
qo@2 ] (1/CL + 2/cd + 1/CH)
assuming qo limited by
the breakdown potential of the dielectric material, VdB, qo = cd
VdB. Then, the limit on W, WdB, is as follows:
WdB = 4(cd /CL + 2 + cd
/CH)cd VdB@2
the range of W is then
given as follows: 0 .ltoreq. W < WdB
FIG. 15 schematically
illustrates an embodiment of the invention having continuous
mechanical energy input and providing a continuous wave output
to the loads. It is similar to previous FIG. 4 except for
designations of charge and capacitance.
Consider the system
schematic as shown in FIG. 15; and, at time t = 0, the variable
capacitors 41 and 42 have the same capacitance, the same charge
Q, and hence are at the same potential. Capacitor 42 is out of
phase with capacitor 41 by half a period; the capacitors vary
periodically with period T (seconds).
The circuit equation
for the transported charge q is as follows: assuming negligible
circuit inductance:
(Q - q)/C1 = R(dq/dt) +
(Q + q)/C2
with q = 0, for t = 0.
With sinusoidal input
to the load, for the following assumed capacitance: ##EQU9##
with average power, P (watts), given, for the electrical circuit
time constant, ##EQU10## much less than T, and after transient
decay, as follows: ##EQU11## and with Q limited by the breakdown
potential VCB of the capacitors as follows: ##EQU12## By use of
these last two equations, the limit on P, PCB, is: ##EQU13## The
range of P is then given as follows: 0 .ltoreq. P < PCB
As with the pulsed
embodiments the load on the cw embodiments may be an
electrostatic field between dielectric electrodes. It is also to
be understood that the electrical outputs of generating
embodiments of the invention, while generally of quite high
electrical potential, may be rectified (and filtered), or run
through a transformer effecting an impedance change, or any of
the other conventional electrical changes and usages that are
common practice with continuous wave or pulsed alternating
current voltages.
It is also to be
understood that for simplicity, only one movable and one fixed
plate has been shown for a variable capacitor, and that
embodiments may be constructed that have capacitors with many
fixed and movable plates. A plurality of embodiments may be
connected in series for providing higher output voltages and
better voltage breakdown characteristics. The polarity of the
charge placed on the capacitors, i.e., the common polarity of
all the fixed plates of an embodiment with respect to the
movable plates is immaterial.
The electrostatic
energy conversion system of the invention may also be operated
as a motor. FIG. 16 is a simplified schematic representation of
an embodiment of the invention for receiving electrical energy
from a power source 45 and providing torque to rotate shaft 48.
Variable capacitors 46 and 47 are similar to those in the
generating device, with the capacitance of capacitor 46 being a
maximum when the capacitance of capacitor 47 is a minimum. Shaft
48 is driven by the forces of the capacitor plates to rotate in
synchronism with the frequency of source 45. Thus, unless the
frequency of source 45 is relatively slowly increased from dc to
the desired operating frequency, other conventional means such
as are normally used to get synchronous motors up to synchronous
speed may be used to bring shaft 48 up to substantially
synchronous speed with the line frequency of the source of
electrical power before connection is made.
It is to be understood
that the devices of the invention, generally like other
electrostatic devices from a practical consideration, generally
function with relatively high voltages compared to conventional
electromagnetic equipment. As pointed out by Trump in the
previously referenced AIEE (now IEEE) paper, two metallic plates
of 100 square inches area which are parallel and insulated from
each other, with an electric field of 300 volts per centimeter
between them have an electrostatic force of attraction of about
0.0005 pound. If the active gradient is increased to 30,000
volts per centimeter, which is the highest voltage that can be
insulated in atmospheric air, the electrostatic force between
the plates is increased to little more than 0.5 pound. When the
plates are immersed in a high vacuum and the gradient increased
to 3 million volts per centimeter, the electrostatic force then
becomes approximately 5,700 pounds.
From the foregoing, it
is readily apparent that for embodiments of the invention to be
practical, the variable capacitors should be operated in a high
vacuum. For embodiments used in outer space, this is generally
not a problem, but for terrestial embodiments, it is generally
preferred that a sealed chamber having a high vacuum be used.
Insulative gases such as sulphur hexafluoride or air at high
pressures may be used instead of the high vacuum to provide the
necessary insulation at the high voltages required for practical
operation. Another reason for generally preferring the high
vacuum environment for embodiments of the invention is the
elimination of drag on the moving members. A complete system for
the cw generation of electrical power under normal terrestial
conditions is shown schematically in FIG. 17. Variable
capacitors 50 and 51, with rotation, pass a contained charge
back and forth between them causing a current to flow through
load 52 delivering power to it. Driver 53 may be any suitable
device that can supply the torque necessary to rotate the
movable plates of the capacitors such as an electric motor, a
turbine, or even a hand crank. Generally, it is desirable to
provide conventional speed sensor 54 with conventional feedback
control 55, actuating energy input controller 56, so that the
frequency of the generated electrical energy supplied to load 52
is relatively constant. An initial charge is placed on variable
capacitors 50 and 51 by momentarily closing switch 57 causing
conventional high potential source 58 to place an equal
potential charge of the same polarity on each capacitor. It is
generally desirable to position the movable plates of the
capacitors such that they have equal capacity when initially
charged so that the initial charge magnitudes will also be
equal. The capacitors are operated in a high vacuum in
conventional sealed chamber 59. Conventional vacuum pump 60
provides the high vacuum in the chamber (approximately 10@-8
Torr). Mechanical drive shaft 61 extends through the chamber
walls in magnetically sealed rotary motion feedthroughs 62 and
63. These conventional, commercially available, sealed bearings
having ferrofluid seals provide substantially zero leakage (at
speeds up to 10,000 rpm) to a high vacuum on one side of the
bearing seal and atmospheric pressure on the other side of the
bearing. Conventional capacitor plate material such as stainless
steel is suitable and generally preferable. Conventional high
voltage feedthroughs 64 and 65 provide for transfer of charge
from the stator capacitor plates to the load.
As previously stated,
once the charge is placed on the capacitors it is not diminished
or dissipated in supplying power to the load. It is a contained
or trapped charge, and is not run down by the load. If the
insulation within the chamber were perfect, the charge would
never have to be replenished. Since nothing is perfect the
charge will, over a long period of time, decrease. It may be
replenished by momentarily actuating switch 57 as in the initial
charging of the capacitors or the charge may be automatically
held within predetermined maximum and minimum values on the
capacitor plates by an electrical circuit as shown schematically
in FIG. 18. For simplicity of explanation, maximum voltage
monitoring is shown on one side of the capacitor pair and
minimum voltage monitoring on the other. It is to be understood
that both a maximum and a minimum monitoring may be on the same
side, or simultaneously on both sides, if desired. Potential
source 70 and diode 71 add charge when the voltage potential of
capacitor 72 is below that of source 70 when capacitor 72 is at
maximum capacitance. Potential source 73 in cooperation with
diode 74 removes charge when the voltage of capacitor 75 (when
going through its minimum capacitance) is greater than the
potential of 73. By having potential sources 70 and 73
adjustable and controllable by conventional voltage monitor 76,
the correct value of trapped charge for the system is maintained
for desired voltage (or power) for load 77. The regulating
system shown in FIG. 18 may also be used to compensate for
leakage losses.
FIG. 19 illustrates in
block schematic form the advantages of the disclosed invention
in supplying a high potential to a load such as a laser. In the
conventional prior art systems, shaft power 90 turns
conventional electrical generator 91 generating relatively low
voltage, high current energy, to operate conventional high
voltage power supply 92 which changes capacitor 93 through
resistor 94. Capacitor 93 discharges when switch 95 is closed to
supply the load 96 with energy. In the present invention, shaft
power 90a directly actuates inversely ganged capacitors 93a and
93b providing an electrostatic energy charge equivalent to that
placed on capacitor 93 by power supply 92. Thus, the closing of
switch 95a provides the same energy to the identical load 96a as
in the prior art system. In the illustration bipolar pulses flow
to load 96a. If unipolar pulses are desired for the load 96a as
for load 96 in the prior art circuit, conventional rectification
of the bipolar pulse may be used.
Two inversely ganged
variable capacitors having a common movable element varying the
capacities such that when one capacitor is at maximum
capacitance, the other is at minimum capacitance, have, after
initially charging, a substantially constant contained or
trapped charge distributed between the two capacitors. As the
capacities of the capacitors are varied, a potential difference
is developed between the fixed plate of one capacitor and the
fixed plate of the other. When these two potential points are
connected to a load, charge is transferred from one capacitor to
the other as a current flow through the load. The total charge
is not diminished, the energy supplied the load being the energy
expanded on moving the movable charged plates. As the movable
plates are moved in a cyclic manner an alternating current is
provided to the load.
HOMOPOLAR
GENERATOR HAVING PARALLEL POSITIONED FARADAY DISK STRUCTURES
US3465187
[ PDF
]
Thermionic
cathode transverse-discharge gas laser tube
US3970961
[ PDF ]
An improved
transverse-discharge gas laser tube is provided by positioning
thermionic cathodes diametrically opposite each other across the
plasma location with anodes positioned at 90 DEG to the cathodes
all contained within an electron repelling envelope. Laser
configurations for both large and small circular cross-section
plasmas are disclosed. A thermionic cathode plasma slab laser
with a magnetic field that may be modulated to provide
modulation of the laser beam is also disclosed.
CRYOGENIC
TURBO-MOLECULAR VACUUM PUMP
US3536418
[ PDF
]