Gregory HODOWANEC
Rhysmonic Cosmology
Demo Unit for 2-D Gravity "Shadow" Scan
(2-1-1992)
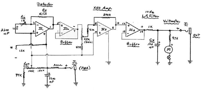
While there has been much interest expressed in the "images" seen in the Rustrak 288 recorder "scatter plots" (when connected to GW shadow detectors) some have expressed interest in running these tests with an ac power supply rather than with batteries. Therefore, the writer has modified a GW signal gravimeter unit (Circuit #3000) to operate as a 2-D shadow detector in conjunction with a Rustrak 288 such as are provided for various calculators and other consumer units. Schematic circuits for this detector unit and an interface for the Rustrak recorder unit are enclosed The circuitry includes several variable controls to adjust the circuit parameters for various desired "observation" criteria. The unit is intended primarily as a demo unit --- to aid would-be researchers get started in these experiments --- and thus has only limited adjustment controls. The internal LP filter is fixed at about 10 Hz, but can easily be changed with a change in the value of the shunt capacitance. Since many ac adapters are not highly filtered, additional power supply filtering was incorporated within the unit. To increase the circuit stability, buffer sections were also included. An Rin of 1k ohms (variable) was also included to help stabilize some detector IC devices. Therefore, with prudent adjustment of these parameters, the experimenter could "observe" a wide range of cosmic shadows, within the limits of the resolution of the Rustrak recorder unit. You are referred to the earlier Notes for more data on these topics. I hope that this material remains of interest to you and it helps you in your own experiments in these areas. Take care... Greg Hodowanec
Figure (1): Parameters: Rin ~250 ohms, Rs = 2k (Rustrak is 2 V F.S.) for this scan. Gain = mid-position, LP filter ~ 10 Hz. No diode offset used; used set to center trace on chart

Figure (2): Demo Unit for 2-D Gravity "Shadow" Scans ~ Circuit #3000-A.
(1) The power supply was made external to enable use of commonly available AC adapters (9V battery can be used also);
(2) While unit is primarily a demo unit, it has sufficient internal adjustments to cover a wide range of "observation" parameters.
* Optional load for adapter power supply